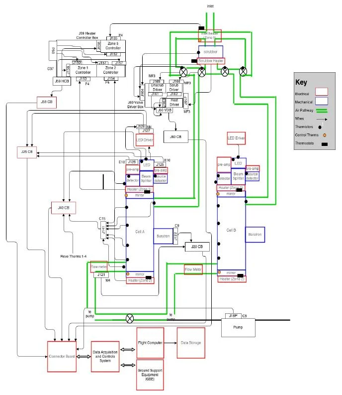
Worked with 12 students to design and implement a novel, flight ready, UV absorption cell that provided highly sensitive stratospheric readings to be incorporated in an upcoming NASA backed balloon flight mission to provide insight into climate chan
View.jpg
ozone_flowchart.JPG
ozone_system_diagram.JPG
prev / next