ozone_pcb.jpeg
ozone_flowchart.jpeg
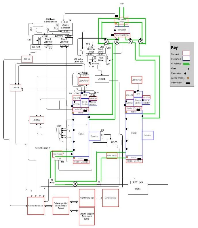
ozone_system_diagram.jpeg
View.jpeg
prev / next